電主軸生產廠家:新利18国际生產各種類型的特種電機,型號多,價格優惠,歡迎選購!
專注於電主軸的設計
研發,製造,銷售!
銷售熱線
187-6436-2999

河南交流伺服電機

  • 產品名稱: 河南交流伺服電機
  • 產品分類: 特種電機
  • 公司名稱: 新利18国际
  • 添加時間: 21/09/18
  • 二 維 碼:

    手機瀏覽

    更方便

產品詳情
詢盤

  交流伺服電機調速方法
  1、變極對數調速方法:改變定子繞組的接紅方式來改變籠型電動機定子極對數達到調速。
  2、變頻調速方法:使用變頻器改變電動機定子電源的頻率,從(cong) 而改變其同步轉速的調速方法。
  3、串級調速方法:串級調速是指繞線式電動機轉子回路中串入可調節的附加電勢來改變電動機的轉差,達到調速的目的。大部分轉差功率被串入的附加電勢所吸收,再利用產(chan) 生附加的裝置,把吸收的轉差功率返回電網或轉換能量加以利用。根據轉差功率吸收利用方式,串級調速可分為(wei) 電機串級調速、機械串級調速及晶閘管串級調速形式,多采用晶閘管串級調速。
  4、繞線式電動機轉子串電阻調速方法:線式異步電動機轉子串入附加電阻,使電動機的轉差率加大,電動機在較低的轉速下運行。串入的電阻越大,電動機的轉速越低。此方法設備簡單,控製方便,但轉差功率以發熱的形式消耗在電阻上。屬有級調速,機械特性較軟。
  5、定子調壓調速方法:改變電動機的定子電壓時,從(cong) 而獲得不同轉速。由於(yu) 電動機的轉矩與(yu) 電壓平方成正比,因此轉矩下降很多,其調速範圍較小,使一般籠型電動機難以應用。


  技術優(you) 勢
  1、轉動慣量低,動態響應快。
  2、內(nei) 置編碼器,不需要額外的C軸編碼器。
  3、電機安裝獨立風扇,強製風冷。
  4、噪音小,震動低。
  5、力矩大,高動態性能(斜坡上升耗時短)。
  6、效率達到IEC60034 30的I 3效率等級,GB18613 2012的2級能效。
  7、鐵芯與(yu) 外殼一體(ti) 式設計,散熱效果更佳。
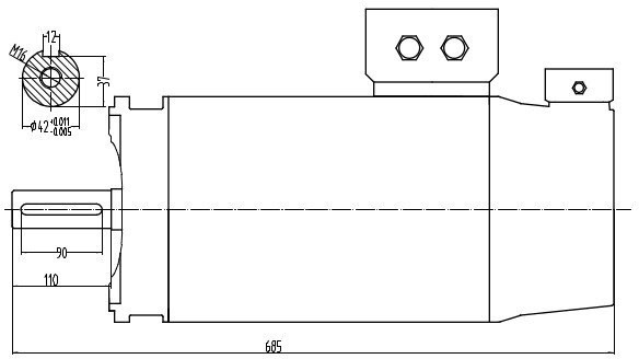
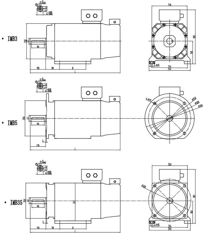
  8、出軸長度、鍵槽、攻絲(si) 、可定製。


  為(wei) 了擴大調速範圍,調壓調速應采用轉子電阻值大的籠型電動機,如專(zhuan) 供調壓調速用的力矩電動機,或者在繞線式電動機上串聯頻敏電阻。電機額定功率的選擇是一個(ge) 很重要很複雜的問題,負載時,如果電機額定功率過大,電機就經常處於(yu) 輕載運行,電機本身的容量得不到充分的發揮,同時電機運行效率低、性能不好,都會(hui) 增加運行費用。電機電流超過額定電流,電機內(nei) 耗損加大,效率低時小事,重要的是影響電機的壽命,即使過載不多,電機的壽命也會(hui) 減少較多;過載較多,會(hui) 破壞電機絕緣材料的絕緣性能甚至燒毀。當然,電機額定功率小,可能根本就拖動不了負載,會(hui) 使電機長時間處於(yu) 啟動狀態而過熱損壞。所以應該嚴(yan) 格按照運行情況選定電機的額定功率。



以上是關於河南交流伺服電機廠家,河南交流伺服電機型號,河南交流伺服電機價格的詳細介紹
地區產品: 山東交流伺服電機廣東交流伺服電機江蘇交流伺服電機浙江交流伺服電機河北交流伺服電機遼寧交流伺服電機河南交流伺服電機四川交流伺服電機山西交流伺服電機北京交流伺服電機
點擊次數:   更新時間:21/09/18 15:16:09   【打印此頁】   【關閉
城市分站:主站   山東   廣東   江蘇   浙江   河北   遼寧   河南   四川   山西   北京   
聯係我們 CONTACT US

銷售一部:胡經理 18764362999

銷售二部:趙經理 13325203619

銷售總部:張經理 0533-4209188 


傳真:0533-4200838

郵箱:1443302781@qq.com

網址: www.sy1798.com 

地址:山東(dong) 省淄博市博山區城東(dong) 街道後峪工業(ye) 園

微信谘詢2
微信谘詢1
手機瀏覽
新利18国际   | | 網站地圖